+7 (912)-751-33-24Заказать звонок
Заказать звонок

Оставьте Ваше сообщение и контактные данные и наши специалисты свяжутся с Вами в ближайшее рабочее время для решения Вашего вопроса.

Ваш телефон
Ваш телефон*
Ваше имя
Ваше имя

* - Поля, обязательные для заполнения

Сообщение отправлено
Ваше сообщение успешно отправлено. В ближайшее время с Вами свяжется наш специалист
Закрыть окно
arbatex@list.ru
Каталог товаров
Подписка на новости магазина

Подпишитесь на рассылку и получайте свежие новости и акции нашего магазина.

Описание товара:

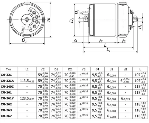
Электродвигатель СЛ-263 относится к группе коллекторных электродвигателей. У электродвигателей СЛ-263 имеются скользящие контакты.
Характеристики:
Напряжение, В
55-100
1 руб. / шт Цена не является конечной и требует уточнения у менеджера.
Загрузка
Рассчитываем стоимость доставки
Пожалуйста подождите, рассчет займет немного времени

Описание товара

Описание электродвигателя СЛ-263


Электродвигатель СЛ-263 относится к группе коллекторных электродвигателей. У электродвигателей СЛ-263 имеются скользящие контакты. Работают СЛ-263 от напряжения 110В постоянного тока.
Корпус СЛ-263 выполнен из металла, а обмотка электродвигателя состоит из медного провода, что придает ему особую прочность и широкую облать их применения.
У реверсных коллекторных электродвигателей постоянного тока последовательного возбуждения направление вращения вала может быть как левым, так и правым. На клеммной колодке электродвигателей СЛ-263 выведены отдельно выводные концы обмоток возбуждения и обмоток ротора, что делает возможным использование электродвигателей для работы в следящих системах и схемах автоматики.

Электрические машины коллекторные СЛ-263, постоянного тока, имеют две обмотки: обмотку возбуждения и обмотку якоря.

Режим работы – продолжительный.

Характеристики

Прочие
Напряжение, В55-100
Добавить отзыв
Ваша оценка:
Отправить отзыв

Похожие товары (8)

1 руб. / шт Цена не является конечной и требует уточнения у менеджера.
СЛ-263 электродвигатель птоянного тока
Задать вопрос

Ваше имя*
Контактный телефон*
E-mail
Вопрос*

* - Поля, обязательные для заполнения

Сообщение отправлено
Ваше сообщение успешно отправлено. В ближайшее время с Вами свяжется наш специалист
Закрыть окно
Купить в один клик
Заполните данные для заказа
Запросить стоимость товара
Заполните данные для запроса цены
Запросить цену Запросить цену